johnson outboard fuel line diagram

Johnson - Evinrude Fuel System boat parts find carburators fuel pumps filters and other. OUTBOARD FUEL SYSTEM PARTS Skin carded for point of purchase retail display 9-38001 Fuel.


Johnson Outboard 200hp Oem Parts Diagram For Fuel Tank Boats Net

Sep 5 2009.

. See Accessories Parts Catalog for Repair Kit Part. Ad Use Our Johnson OMC Parts Finder and Find What You Need Fast. May 23 2009.

Jumat 28 Oktober 2022. Up to 4 cash back Johnson Outboard Fuel Pump Repair Kit. Your Johnson Evinrude model number is the key to finding the.

Find the Parts You Need Now. Choosing the Correct Parts. Extensive Inventory of OMC and Johnson Parts.

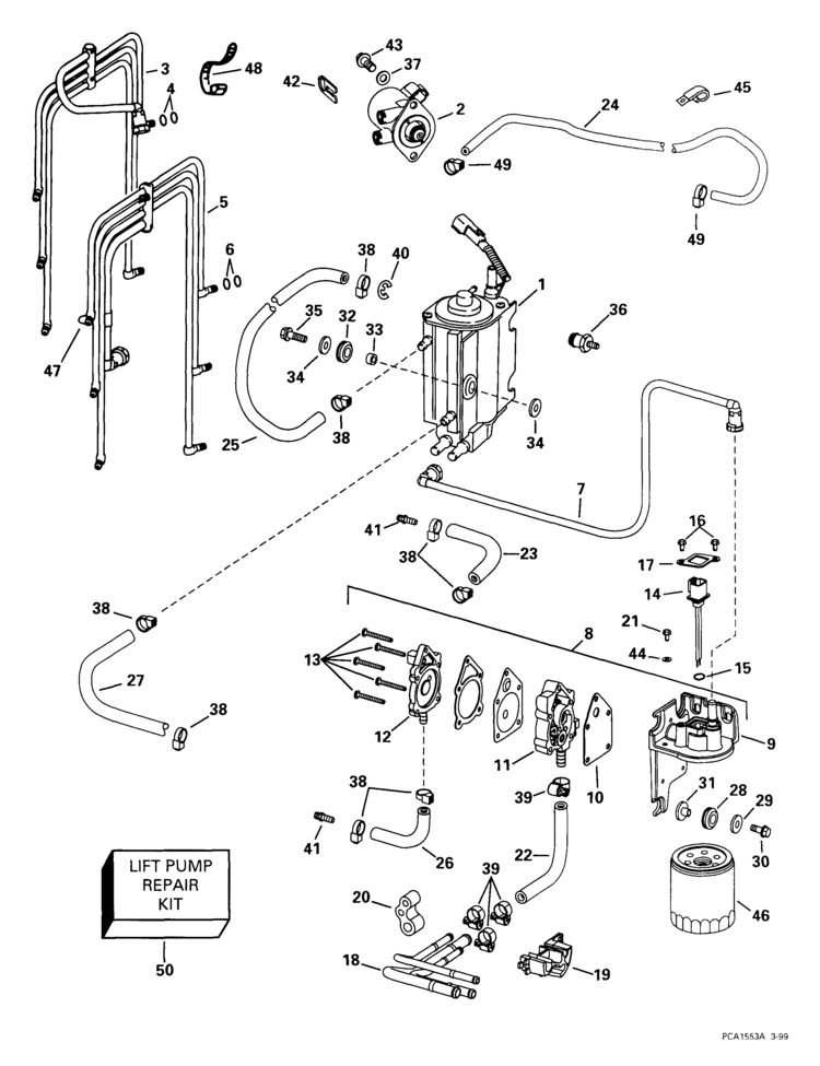
Johnson Outboard Electrical Diagram. In need of a fuel line diagram 1963 johnson 40 hp. Ad Service Repair Manuals for 1958-2007 models.

Up to 4 cash back Sierra 18-8051 Double Fuel Line Assembly for Johnson Evinrude. Suzuki Outboard Fuel Gauge Wiring Diagram. 12 johnson outboard fuel line diagram.

Very simple when you. 1982 Johnson Outboard Motor Service Manuals -. View parts diagrams and shop online for FUEL BRACKET COMPONENTS parts 1996.

1988 johnson fuel line Diagrams. 1982 Johnson Evinrude 235 HP Outboard. DOWNLOAD 1995 johnson 175 fast strike fuel line diagram - Back to all Outboard Motors -.


Johnson Fuel Tank Group Parts For 1960 10hp Qd 21 Outboard Motor


Old 70 Horsepower Johnson Having Problems With The Fuel Line And A Brand New Tank From Walmart Youtube


Maintaining Johnson 6hp 7 5 Hp 8hp Outboards


Brp Evinrude En 2004 225 E225fhlsrm Fuel System Evinrude Johnson Omc Outboard Motor Parts Van S Sport Center


Johnson Outboard 150hp Oem Parts Diagram For Fuel Bracket Components Boats Net


Evinrude Fuel Components Parts For 1999 150hp E150fpxeen Outboard Motor


Signs Of A Bad Outboard Fuel Pump How To Troubleshoot


Fuel Pump Evinrude Johnson Brp 1 Pc 388685 Ebay


Evinrude Outboard 200hp Oem Parts Diagram For Fuel Pump Boats Net


Where Can I Get Diagrams Showing Fuel Hose Hookups After Switching From Vro To Regular Fuel Pump This Is Needed For A


Fuel System 1988 Outboard 70hp 70etlg Crowley Marine


Fuel System Components 2003 Outboard 150 J150cxsta Crowley Marine


1981 Evinrude 115 Hp Recirculating Hose Diagram The Hull Truth Boating And Fishing Forum


Rebuild Kit Johnson Evinrude Omc Trim Tilt O Ring Seal Kit 434519 Five Star Marine


Maintaining Johnson 6hp 7 5 Hp 8hp Outboards


Evinrude Outboard Parts By Hp 150 E150fcxsdr Fuel System Evinrude Johnson Omc Outboard Motor Parts Van S Sport Center


Service Manual Evinrude E Tec 40 60 Hp Fuel System Service Chart Crowley Marine

Iklan Atas Artikel

Iklan Tengah Artikel 1

Iklan Tengah Artikel 2

Iklan Bawah Artikel